全國免費咨詢熱線:17317317121(微信同號)
ZF-600-5高頻沖床橡膠氣囊/類似日本橫濱S-600-5R
來源:上海松夏減震器有限公司????發布時間:2019-09-16 15:47
ZF-600-5高頻沖床橡膠氣囊/類似日本橫濱S-600-5R
ZF型自封式空氣彈簧(沖床設備專用)介紹:
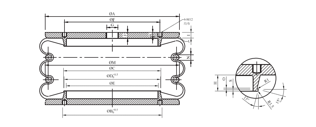
自封式,是因其無需外力自行密封而得名。如圖,用纖維層做補強處理的橡膠曲囊①在使用時,將防止膨脹的鋼制(鍍鋅)腰環②嵌在其中。③蓋板的端部鋼絲圈借助空氣內壓的作用,使橡膠口部發生變形與上下蓋板(鍍鋅)④密切接觸,從而可防止空氣泄漏。上下蓋板④通過機械加工成型。⑤是用于安裝進氣管路的管螺紋進氣孔,⑥則是安裝用的標準螺紋孔。
空氣彈簧的特征
1、使用壽命長,自封式由于伸縮時的橡膠變形更少,因此具有優良的耐久性。
2、維護十分簡單,不存在摩擦滑動部分,因此不需要加潤滑油。
3、可降低安裝高度,與其他彈簧相比,可以使安裝高度降低,有效增加 行程。
4、可獲得彈性柔軟的彈簧參數,負載大且彈性柔軟,防振性能超群。
5、承載力的輸出可變,可通過改變內壓,在很大范圍內改變承載力。
6、高度可控制,如與高度調整閥并用,對不同負載可保持恒定高度。
7、具有衰減效果,如與輔助氣室和節流閥并用,可獲得優良的阻尼效 果,從而使共振幅度減小。
8、易于安裝,結構簡單,安裝和拆卸均簡單易行。
適用范圍:壓力機、沖壓機、機械沖床、氣動沖床、液壓沖床、高速機械沖床、高頻沖床、數控沖床、普通機械沖床、手動沖壓機、螺旋式沖床 、齒條式沖床、連桿式沖床 、凸輪式沖床,造紙設備,造紙生產線,紙張設備等
產品規格參數表:






空氣彈簧是一種帶有金屬端蓋的高技術彈性波紋管。我們的標準空氣彈簧一般由 4 層組成。
1、一層壓延橡膠內襯
2、第一層簾布加強骨架層
3、第二層簾布加強骨架層
4、一層壓延橡膠外層膠
如果對空氣彈簧的耐壓強度有特殊要求,請聯系我們的技術部門,也可定做 4 層加強簾布層的特殊型號。
HF型活套式空氣彈簧、K型鎖扣式空氣彈簧、GF固定式空氣彈簧、ZF型自密封式空氣彈簧、JBF型卷邊式空氣彈簧、沖壓式法蘭空氣彈簧等等。
★緊湊的原始高度
空氣行程調節器與普通的氣缸裝置相比,其外形短小,最小的空氣行程調節器可壓縮到45mm 的高度,而最大的三曲囊空氣行程調節器可壓縮到的高度僅為122mm。
★彎曲角度 30°
空氣行程調節器擁有獨一無二的彎曲能力,它可通過一個弧線來保持行程而無需叉型接頭。彎曲能力可達到 30 度。
★無需維護和潤滑,無需內部操縱桿或活塞
空氣行程調節器不像普通氣缸那樣有內部操縱桿、活塞或者滑動式密封裝置。所以不存在普通缸式懸掛裝置的密封件易為灰塵損壞的問題。
★安裝簡易
空氣行程調節器可以很容易的被安裝在狹小的空間里。這節省了安裝時間和費用。具有柔性特點的空氣行程調節器還可以補償由于施工過程中造成的地基高度不勻。
★經久的服役壽命
由于空氣行程調節器沒有滑動式密封裝置,因此不像普通氣缸那樣易摩擦受損。并且空氣彈簧在卡車和公共汽車懸掛裝置上得到進一步的應用,這種不利的環境條件下,其依然可以堅持數十萬公里,其耐久性和使用壽命是值得信賴的。
★允許最高 0.8Mpa 的工作壓力
空氣行程調節器內部含有 2 層或 4 層簾布層,以使其具有承受 0.8 Mpa 的內壓,因此承載能力大大增強。
★經久的服役壽命
由于空氣行程調節器沒有滑動式密封裝置,因此不像普通氣缸那樣易摩擦受損。并且空氣彈簧在卡車和公共汽車懸掛裝置上得到進一步的應用,這種不利的環境條件下,其依然可以堅持數十萬公里,其耐久性和使用壽命是值得信賴的。
★低廉的成本
一般來講,在相同功能條件下,空氣行程調節器的初始成本是傳統氣動或液壓缸成本的一半或更低。此初始成本的優勢尤其體現在大規格的產品。
★良好的隔離減震能力
空氣減震隔離器可以提供其他任何減震隔離器不能比擬的最好程度的隔離減震效果。通過附設外部儲氣裝置可以提供更低的固有頻率。
★高度控制精確
空氣彈簧是通過內部氣壓來調整運行高度??諝鈴椈刹慌c其他部件之間產生靜態摩擦。在承載力發生變化的情況下,自動調節系統壓力可以確保穩定的運行高度。
★隔震效率穩定及獨立承載減震特性
空氣減震隔離器是獨一無二的,其系統固有頻率不會隨著負荷大小而產生太大的變化。因此可以在有不均勻載荷的設備上每一安裝點上使用相同的空氣減震隔離器。
★有效的防止共振
空氣彈簧減震系統可以被設計成兩種固有頻率, 所以可以通過切換固有頻率來防止共振。
★良好的水平穩定性
空氣彈簧具有良好的水平穩定性。
橡膠水堵氣囊廠商出售作為日趨成熟的橡膠氣囊市場,面對新興人群,當然是當仁不讓。產品再也不僅僅只是滿足于功用上的節能高效優勢,企業進一步加大產品功效的同時,向產品注…
西藏橡膠氣囊定制橡膠氣囊在生產和生活中起著非常重要的作用。當人們需要維修時,他們總會找一些好的橡膠氣囊維修技師來減少使用橡膠氣囊時出現問題的可能性。在橡膠氣囊的使…
工業空氣彈簧高度控制閥1、有效堆積。從原料一進生產車間就應當堆積整平、維持干躁、盡量減少斜靠于別的物體上。這種方法可以在源頭上橡膠空氣彈簧部件變形,因為不管使用任何…

美國ACCUAIR大陸總代理專業提供:美國ACCUAIR電磁閥組,如需了解更多ACCUAIR電磁閥組價格、ACCUAIR正品電磁閥、ACCUAIR電磁閥塬裝等信息可以增加微信:15201855009 100%正品,不要拿山寨的來對..

可以配套在任何一款絞牙避震上面! 美國AIRBFT氣壓避震大陸總代理專業提供AIRBFT各種配件產品,主要為內地改裝店家提供發貨,我公司是壹家專業從事氣壓避震產品的供應商,代理品牌..

GF固定式空氣彈簧: 密封端板 法蘭 鋼制鍛壓,錐絲法蘭 空氣彈簧 自身具有密封能力,不需要其他密封裝置 腰環 鋼制焊接件或掛膠鋼絲模壓成型 螺栓 M10高強度螺栓 固定式空氣彈簧參數..

活套式橡膠空氣彈簧(HF型)結構: 1、密封端板(不包含組件)于產品配合面平整光滑,此板應有足夠強度在承受載荷時不會彎曲變形。 2、法蘭環:采用鋁制或鋼制 3、空氣彈簧:自身具有..
全國免費咨詢熱線:17317317121
上海松夏減震器有限公司 滬ICP備09066468號-13 網站地圖 站點地圖